高压电缆分支箱

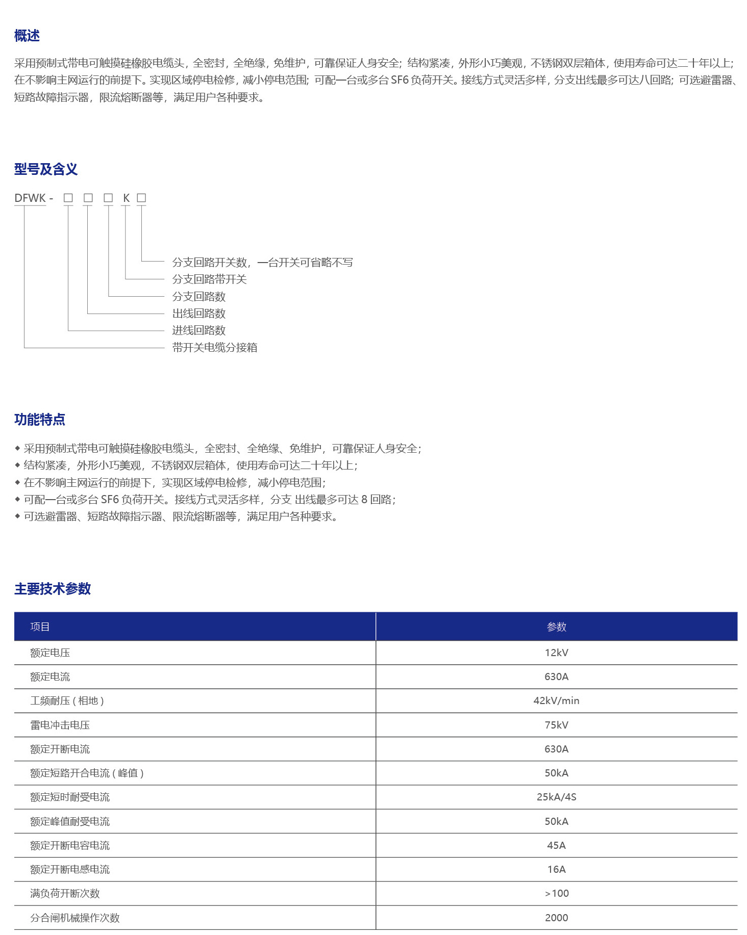
DFWK带开关电缆分接箱

DFWK带开关电缆分接箱

产品分类:高压电缆分支箱
公司简介:浙江正然电气科技有限公司,是工业电器领域的佼佼者,致力于为客户提供卓越品质的电力设备产品。公司专注于工业电器设备的研发、生产、销售与服务,凭借深厚的行业经验和先进的技术实力,不断推动电力电器行业的创新发展。

产品详情


正然电气

0577-62655111

(热线电话 7×24)